Su proyecto en manos de profesionales que le brindarán la solución más eficaz y eficiente del mercado
El departamento de ingeniería y automatismo es el resultado de la experiencia adquirida por GRAMONT en el tiempo, a través de la participación en distintos proyectos “llave en mano”. Su principal función es servir de nexo entre las actuales tecnologías de Control y Gestión de plantas industriales y los clientes.
La especialización exigida por esta actividad y la alta cualificación de nuestro plantel de profesionales, lleva a formar dentro de la empresa este departamento especializado.
La unidad de Ingeniería está volcada principalmente a proveer soluciones completas, brindando un servicio integral para nuestros clientes, que abarca desde la ingeniería básica para licitación, la Ingeniería de detalle para el desarrollo de las obras eléctricas, así como supervisión de montaje, comisionamiento y posterior puesta en marcha.
Abarcamos los estudios técnicos para redes de distribución en BT, MT y AT, diseño de Tableros eléctricos, hasta los automatismos y control de corrientes débiles.
GRAMONT S.A. provee asesoramiento y soluciones a la medida de la necesidad real de los clientes brindando su amplia experiencia en el rubro, utilizando las herramientas de desarrollo más vanguardistas del mercado.
Dentro de nuestros servicios ofrecemos:
- Anteproyectos para licitaciones
- Proyectos ejecutivos
- Estudio de factibilidad
- Dimensionamiento de instalaciones de MT y BT
- Estudio de selectividad de protecciones
- Estudio de compensación de energía reactiva.
- Estudio de perturbaciones en redes.
- Cálculos de redes y dimensionamiento de instalaciones
- Cálculos luminotécnicos interior y exterior
- Ingeniería de detalle (planos, unifilares, funcionales, etc).
- Integración de ingeniería para proyectos civiles y mecánicos
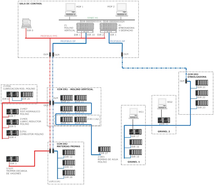
- Diseño de redes de Control y Automatismos.
- Programación de sistemas de control: PLCs, comunicación industrial, de los principales fabricantes (Schneider Electric, Siemens, Rockwell, ABB, etc)
- Sistemas SCADA de los principales fabricantes (Schneider Electric, Siemens, Rockwell, ABB, A&B, etc)
- Suministro de equipos y sistemas de control.






